ピエゾ技術の基本

物理的効果から産業利用まで

「ピエゾ」という言葉は、圧力を意味するギリシャ語から生まれました。1880年、ジャックとピエールのキュリー兄弟が石英やトルマリンなど多くの結晶で圧力により電荷が生じることを発見し、この現象に「圧電効果」という名前をつけました。後に彼らは、電界により圧電体を変形させられることを発見します。この効果は、「逆圧電効果」と呼ばれています。

科学者達が、電界を加えた際にチタン酸バリウムが有用なスケールの圧電性を示すことを発見したことで、 >>圧電セラミックにより産業は大きく進歩しました。

今日、圧電効果は、ライター、ラウドスピーカー、信号変換器など数多くの日用品で利用されています。また、燃焼機関でピエゾ制御式の噴射弁を用いることで遷移時間が短縮され、滑らかさと排気ガスの質が大きく改善されるため、ピエゾアクチュエータ技術は自動車技術でも利用されています。

圧電体の表面に圧力をかけると、電荷が生じます。この直接圧電効果(発電機またはセンサー効果とも呼ばれる)により、力学的エネルギーが電気エネルギーに変換されます。

これとは逆に、この種の物質に電圧を印加すると、「逆圧電効果」により長さが変化します。このようなアクチュエータ効果では、電気エネルギーが力学的エネルギーに変換されます。

圧電効果は、単結晶体と多結晶強誘電性セラミックの両方で生じます。単結晶体では、結晶格子の単位格子の構造に存在する非対称性、つまりキュリー温度TCで形成される極性軸が、この効果の生じる条件となっています。

圧電セラミックはさらに自発分極を備えており、単位格子の正電荷密度と負電荷密度が互いに分離しています。同時に、自発分極の方向に単位格子の軸が伸長して、自発ひずみが生じます。

石英、トルマリン、ロッシェル塩など、天然の単結晶物質の圧電効果は比較的小さいものです。これに比べ、チタン酸バリウム(BaTiO3)やジルコン酸チタン酸鉛(PZT)などの多結晶の強誘電性セラミックは変位が大きく、より大きな電圧を生じます。PZTピエゾセラミック素材にはさまざまなバリエーションがあり、アクチュエータやセンサーとして最も幅広く使用されています。PZTセラミックにニッケル、ビスマス、ランタン、ネオジウム、ニオブなどのイオンをドーピングすることで、圧電パラメーターおよび誘電パラメーターを詳細に最適化することが可能です。

キュリー温度T未満の温度では、PZT結晶の格子構造は変形し非対称になります。これにより、双極子と、ピエゾ技術において重要な菱面体晶相および正方結晶相が生じます。この状態のセラミックは、自発分極を示します。キュリー温度以上の温度では、ピエゾセラミック物質の圧電性は失われます。

>>圧電体の詳細

強誘電性分極

セラミックの微結晶では、物質の内部エネルギーを最小化するために強誘電分域が形成されます。これらの空間内では、自発分極の方向が一定となります。

さまざまな方向を向いた境界分域が、分域壁により分けられています。セラミックに巨視的な圧電性を持たせるには、強誘電分極プロセスが必須です。

このためには、数kV/mmという強力な電界を印加し、それまで秩序のなかったセラミック化合物に非対称性を生じさせます。この電界により、自発分極の向きが変化します。同時に、極性場の方向に沿った向きの分域は成長し、異なる向きの分域は収縮します。結晶格子内で、分域壁の向きが変化します。

分極後、再配向された分域の大部分は、電界を加えない状態でも保持されます。ただし、少数の分域壁は、内部の力学的応力により元の向きに戻されます。

分極したピエゾセラミックの伸長

セラミックは、元の分極場よりも弱い電界を加えると常に伸長します。この効果の一部は結晶格子内のイオンが圧電移動することによるものであり、内的効果と呼ばれます。

外的効果は、単位格子の可逆的な強誘電再配向に基づいています。この効果は駆動場の強度が増すと増大するものであり、強誘電性ピエゾセラミックが持つ非線形のヒステリシスおよびドリフト特性の大きな原因となっています。

電気機械技術

分極した圧電体は、いくつかの係数および関係式で特徴づけられます。
簡略化した形では、電気的性質と弾性的性質の基本関係は以下のように表されます:

D 電束密度
T 力学的応力
E 電界
S 力学的ひずみ
d 圧電電荷係数
εT 誘電率(Tが一定の場合)
sE コンプライアンス/弾力性係数(Eが一定の場合)

上記の関係式が適用されるのは、電気振幅および機械振幅が小さい場合(いわゆる小信号値)のみに限られています。この範囲では、力学的な弾性変形Sまたは応力Tと電界Eまたは電束密度Dの関係は線形であり、係数の値は一定となります。

これらの小信号係数は材料データ表に記載されています。

軸の割当て

各方向を軸1、2、3(直交座標系のX、Y、Z軸に相当)で示します。直交座標系ではU、V、Wと呼ばれる各回転軸は、4、5、6で示しています。

分極の方向(軸3)は、2つの電極間に強力な電界を印加することによる分極プロセス中に生じます。圧電体の最大変位は、この方向で得られます。

圧電体には異方性があるため、対応する物理量はテンソルで表されます。このため、圧電係数にはこれに応じて添字が付けられています。

圧電係数

動的挙動

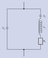
振動を励起された圧電体の電気機械的挙動は、電気的等価回路図で表すことができます。

C0は誘電体の静電容量です。C1、L1、R1で構成される直列回路により、弾性変形、有効質量(慣性)、内部摩擦により生じた力学的損失などの力学的性質の変化を表します。ただし、このように振動回路を描写できるのは、機械的な固有振動に近い周波数に対してのみです。

圧電体のパラメーターの大部分は、共振時の試験体のインピーダンスを測定することで求められます。圧電パラメーターを求めるには、直列共振と並列共振を使用します。これらのパラメーターは、最小インピーダンスfmおよび最大インピーダンスfnに近い近似となります。

圧電コンポーネントの振動状態

振動状態またはモードと変形量は、圧電体の寸法、機械弾性的性質、電界および分極の方向により決まります。

パンフレット

Dynamic Behaviour

Oscillation modes of piezoceramic elements

pdf - 434 KB
pdf - 435 KB

お問い合わせ

担当者よりお問合せにつきまして、すぐにご連絡をさせて頂きます。

テクノロジー

ダウンロード

カタログ

PI Piezoelectric Ceramic Products

Fundamentals, Characteristics and Applications

日付 / バージョン
CAT125
pdf - 7 MB
日付 / バージョン
CAT125
pdf - 7 MB
カタログ

Piezoelectric Actuators

Components, Technologies, Operation

日付 / バージョン
CAT128
pdf - 17 MB
日付 / バージョン
CAT128
pdf - 11 MB