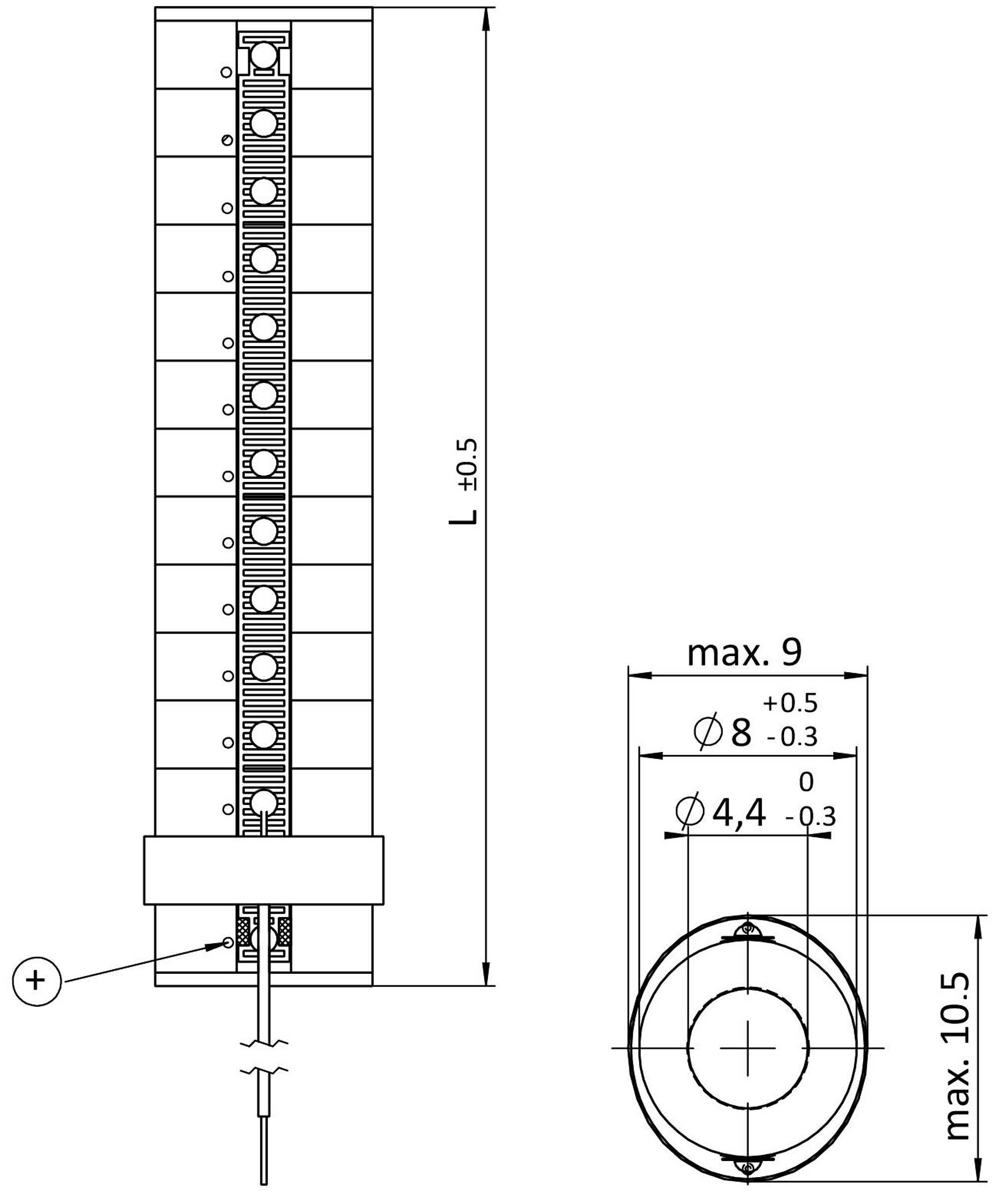
PICMA® Stack multilayer ring actuator; PICMA® piezo actuator drive; 5.5 µm travel range (open loop); 8 mm × 4.4 mm × 8.5 mm (OD × ID × L); 800 N feed force; vacuum-compatible to 10-9 hPa; solderable contacts
P-080 PICMA® Stack Multilayer Ring Actuator
With Inner Hole
- Inner hole for preload or as aperture for optical applications
- Superior lifetime
- Ideal for dynamic operation
- Microsecond response
- Subnanometer resolution
- UHV-compatible to 10-9 hPa
Multilayer stack actuators
Flexible travel range up to 30 µm. Round cross section for easy integration.
UHV-compatible to 10-9 hPa, no outgassing, high bakeout temperature.
PICMA® piezo linear actuators
Low operating voltage -20 to 100 V. Ceramic insulation. High reliability, long lifetime.
Possible modifications
Different heights, fast mounting according to customer requirements. Variety of shapes. Precision-ground end plates for reduced tolerances
Fields of application
Industry and research. For laser tuning, microdispensing, life sciences.
Specifications
Specifications
| Motion | P-080.310 | P-080.311 | P-080.340 | P-080.341 | P-080.390 | P-080.391 | Tolerance |
|---|---|---|---|---|---|---|---|
| Active axes | Z | Z | Z | Z | Z | Z | |
| Travel range in Z, open loop, at 0 to 100 V | 5.5 µm | 5.5 µm | 11 µm | 11 µm | 25 µm | 25 µm | |
| Drive Properties | P-080.310 | P-080.311 | P-080.340 | P-080.341 | P-080.390 | P-080.391 | Tolerance |
| Actuator type | Linear actuator | Linear actuator | Linear actuator | Linear actuator | Linear actuator | Linear actuator | |
| Drive type | PICMA® Stack | PICMA® Stack | PICMA® Stack | PICMA® Stack | PICMA® Stack | PICMA® Stack | |
| Operating voltage | -20 to 100 V | -20 to 100 V | -20 to 100 V | -20 to 100 V | -20 to 100 V | -20 to 100 V | |
| Electrical capacitance in Z | 0.86 µF | 0.86 µF | 1.7 µF | 1.7 µF | 4 µF | 4 µF | ±20 % |
| Mechanical Properties | P-080.310 | P-080.311 | P-080.340 | P-080.341 | P-080.390 | P-080.391 | Tolerance |
| Stiffness in Z | 145 N/µm | 145 N/µm | 75 N/µm | 75 N/µm | 34 N/µm | 34 N/µm | |
| Resonant frequency in Z, unloaded | 135 kHz | 135 kHz | 85 kHz | 85 kHz | 40 kHz | 40 kHz | ±20 % |
| Blocking force in Z | 800 N | 800 N | 825 N | 825 N | 850 N | 850 N | ±20 % |
| Recommended preload for dynamic operation | 15 MPa | 15 MPa | 15 MPa | 15 MPa | 15 MPa | 15 MPa | |
| Maximum preload for constant force | 30 MPa | 30 MPa | 30 MPa | 30 MPa | 30 MPa | 30 MPa | |
| Cross section | annular | annular | annular | annular | annular | annular | |
| Material | Piezo ceramic. Ceramic end surfaces made of Al2O3. | Piezo ceramic. Ceramic end surfaces made of Al2O3. | Piezo ceramic. Ceramic end surfaces made of Al2O3. | Piezo ceramic. Ceramic end surfaces made of Al2O3. | Piezo ceramic. Ceramic end surfaces made of Al2O3. | Piezo ceramic. Ceramic end surfaces made of Al2O3. | |
| Piezo material | PIC252 | PIC252 | PIC252 | PIC252 | PIC252 | PIC252 | |
| Length | 8.5 mm | 8.5 mm | 16 mm | 16 mm | 36 mm | 36 mm | |
| Outer diameter | 8 mm | 8 mm | 8 mm | 8 mm | 8 mm | 8 mm | |
| Inner diameter | 4.4 mm | 4.4 mm | 4.4 mm | 4.4 mm | 4.4 mm | 4.4 mm | |
| Miscellaneous | P-080.310 | P-080.311 | P-080.340 | P-080.341 | P-080.390 | P-080.391 | Tolerance |
| Operating temperature range | -40 to 150 °C | -40 to 150 °C | -40 to 150 °C | -40 to 150 °C | -40 to 150 °C | -40 to 150 °C | |
| Vacuum class | 10⁻⁹ hPa | 10⁻⁹ hPa | 10⁻⁹ hPa | 10⁻⁹ hPa | 10⁻⁹ hPa | 10⁻⁹ hPa | |
| Connector | Solderable contacts | Stranded wires, PTFE isolated, AWG 30, Ø 0.61 mm | Solderable contacts | Stranded wires, PTFE isolated, AWG 30, Ø 0.61 mm | Solderable contacts | Stranded wires, PTFE isolated, AWG 30, Ø 0.61 mm | |
| Recommended controllers / drivers | E-610, E-617, E-831, E-836 | E-610, E-617, E-831, E-836 | E-610, E-617, E-831, E-836 | E-610, E-617, E-831, E-836 | E-610, E-617, E-831, E-836 | E-610, E-617, E-831, E-836 | |
| Cable length | 0.1 m | 0.1 m | 0.1 m | ±5 mm |
Travel range in Z, open loop: Tolerance ±20 % with P-080.31x and P-080.34x models. Tolerance ±10 % with P-080.39x models.
Resonant frequency in Z, unloaded: Measured at 1 Vpp, unclamped. The value is halved for unilateral clamping.
Electrical capacitance in Z: Measured at 1 Vpp, 1 kHz, RT.
All data at 0 to 100 V.
Ask about customized versions.
Downloads
データシート
ドキュメント
User Manual PZ259
PICMA® Stack multilayer piezo actuators, PICMA® PLUS Stack multilayer piezo actuators, Round PICMA® Stack multilayer piezo actuators, Round PICMA® Stack multilayer piezo actuators with inner hole
Quote / Order
Ask for a free quote on quantities required, prices, and lead times or describe your desired modification.
PICMA® Stack multilayer ring actuator; PICMA® piezo actuator drive; 5.5 µm travel range (open loop); 8 mm × 4.4 mm × 8.5 mm (OD × ID × L); 800 N feed force; vacuum-compatible to 10-9 hPa; connecting wires, PTFE-insulated, AWG 30, Ø 0.61 mm; cable length 0.1 m
PICMA® Stack multilayer ring actuator; PICMA® piezo actuator drive; 11 µm travel range (open loop); 8 mm × 4.4 mm × 16 mm (OD × ID × L); 825 N feed force; vacuum-compatible to 10-9 hPa; solderable contacts
PICMA® Stack multilayer ring actuator; PICMA® piezo actuator drive; 11 µm travel range (open loop); 8 mm × 4.4 mm × 16 mm (OD × ID × L); 825 N feed force; vacuum-compatible to 10-9 hPa; connecting wires, PTFE-insulated, AWG 30, Ø 0.61 mm; cable length 0.1 m
PICMA® Stack multilayer ring actuator; PICMA® piezo actuator drive; 25 µm travel range (open loop); 8 mm × 4.4 mm × 36 mm (OD × ID × L); 850 N feed force; vacuum-compatible to 10-9 hPa; solderable contacts
PICMA® Stack multilayer ring actuator; PICMA® piezo actuator drive; 25 µm travel range (open loop); 8 mm × 4.4 mm × 36 mm (OD × ID × L); 850 N feed force; vacuum-compatible to 10-9 hPa; connecting wires, PTFE-insulated, AWG 30, Ø 0.61 mm; cable length 0.1 m















