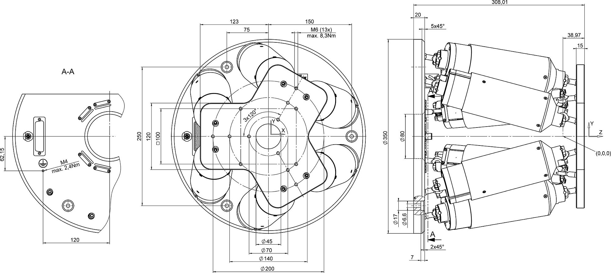
ヘキサポッド(基本モデル)、耐荷重:20 kg、最大速度:20 mm/s、D-subコネクタ。 接続ケーブルは同梱されていませんので、別途ご注文ください。
H-820 ヘキサポッド
Cost-Effective Hexapod
- トラベルレンジ:±50 mm / ±50 mm / ±25 mm
- 回転レンジ:±15° / ±15° / ±30°
- 最小インクリメンタルモーション:5 µm / 5 µm / 5 µm
- 耐荷重:20 kg
標準クラスの6軸位置決めシステム
6自由度のパラレルキネマティック設計により、シリアルキネマティックシステムに比べてはるかに小さく、剛性とダイナミクスが向上。可動ケーブルがないため、高い信頼性と低摩擦を実現できます
ブラシレスDCモーター
ブラシレスDCモーターは、特に回転速度の速い用途に適しています。 極めて正確な制御が可能で、高精度を保証します。 摺動接点がないため、スムーズに動作し、摩耗がなく、長寿命を実現します。
間接測定原理
モーターシャフトにロータリーエンコーダを搭載
PIVirtualMove
このシミュレーションソフトウェアは、ヘキサポッドの作業スペースと耐荷重の限界値をシミュレートします。 これにより、購入前であっても、特定のヘキサポッドモデルが、用途で発生する荷重、力、トルクに耐えられるかどうかを確認できます。 この目的のために、シミュレーションツールは、ヘキサポッドの位置と動作、回転中心、複数の参照座標系を考慮します。
応用分野
産業および研究: ライフサイエンス、バイオテクノロジー、オートメーション、微細加工
仕様
| Motion | H-820.D2 | Tolerance |
|---|---|---|
| Active axes | X ǀ Y ǀ Z ǀ θX ǀ θY ǀ θZ | |
| Travel range in X | ± 50 mm | |
| Travel range in Y | ± 50 mm | |
| Travel range in Z | ± 25 mm | |
| Rotation range in θX | ± 15 ° | |
| Rotation range in θY | ± 15 ° | |
| Rotation range in θZ | ± 30 ° | |
| Maximum velocity in X | 20 mm/s | |
| Recommended velocity in X | 2 mm/s | |
| Maximum velocity in Y | 20 mm/s | |
| Recommended velocity in Y | 2 mm/s | |
| Maximum velocity in Z | 20 mm/s | |
| Recommended velocity in Z | 2 mm/s | |
| Maximum angular velocity in θX | 200 mrad/s | |
| Recommended angular velocity in θX | 20 mrad/s | |
| Maximum angular velocity in θY | 200 mrad/s | |
| Recommended angular velocity in θY | 20 mrad/s | |
| Maximum angular velocity in θZ | 200 mrad/s | |
| Recommended angular velocity in θZ | 20 mrad/s | |
| Positioning | H-820.D2 | Tolerance |
| Minimum incremental motion in X | 5 µm | typ. |
| Minimum incremental motion in Y | 5 µm | typ. |
| Minimum incremental motion in Z | 5 µm | typ. |
| Minimum incremental motion in θX | 12.5 µrad | typ. |
| Minimum incremental motion in θY | 12.5 µrad | typ. |
| Minimum incremental motion in θZ | 12.5 µrad | typ. |
| Unidirectional repeatability in X | ± 1.5 µm | typ. |
| Unidirectional repeatability in Y | ± 1.5 µm | typ. |
| Unidirectional repeatability in Z | ± 0.5 µm | typ. |
| Unidirectional repeatability in θX | ± 8 µrad | typ. |
| Unidirectional repeatability in θY | ± 8 µrad | typ. |
| Unidirectional repeatability in θZ | ± 25 µrad | typ. |
| Backlash in X | 30 µm | typ. |
| Backlash in Y | 30 µm | typ. |
| Backlash in Z | 3 µm | typ. |
| Backlash in θX | 30 µrad | typ. |
| Backlash in θY | 30 µrad | typ. |
| Backlash in θZ | 300 µrad | typ. |
| Integrated sensor | Incremental rotary encoder | |
| Drive properties | H-820.D2 | Tolerance |
| Drive type | Brushless DC motor | |
| Nominal voltage | 24 V | |
| Mechanical properties | H-820.D2 | Tolerance |
| Maximum load capacity, base plate horizontal | 20 kg | |
| Maximum load capacity, base plate in any orientation | 10 kg | |
| Maximum holding force, base plate horizontal | 200 N | |
| Maximum holding force, base plate in any orientation | 5 N | |
| Overall mass | 15 kg | |
| Material | アルミニウム | |
| Miscellaneous | H-820.D2 | Tolerance |
| Operating temperature range | 0 to 50 °C | |
| Connector for data transmission | HD D-sub 78 (m) | |
| Connector for supply voltage | M12 4-pole (m) | |
| Recommended controllers/drivers | C-887.5x |
接続ケーブルは同梱されていませんので、別途ご注文ください。
カスタマイズについてはお問い合わせください。
When measuring position specifications, typical velocity is used. The data is included in the delivery of the product in the form of a measurement report and is stored at PI.
The maximum travel ranges of the individual coordinates (X, Y, Z, θX, θY, θZ) are interdependent. The data for each axis shows its maximum travel range when all other axes are in the zero position of the nominal travel range and the default coordinate system is in use, or rather when the pivot point is set to 0,0,0.
PI では、技術データは 22 ±3 ℃ において規定されています。 記載がない限り、数値は負荷のない条件のもとにあります。 一部の特性は相互に依存しています。 「typ.」の表記は、特性の統計的な平均値を示すものであり、供給されるすべての製品に対して保証値を示すものではありません。 製品の最終検査では、すべての特性ではなく、選択された特性のみが分析されます。 一部の製品特性は、使用時間の増加に伴って劣化する可能性がある点にご注意ください。
ダウンロード
製品についての注意事項
データシート
ドキュメント
User Manual MS207 (英語)
H-820 Hexapod Microrobot
Technical Note H820T0001
Technical note for unpacking the hexapod




























