P-007 – P-056 PICA Stack Piezo Actuators
High Forces, High Displacement, Flexible Production
- Travel ranges to 300 µm
- High load capacity
- Force generation up to 80 kN
- Extreme reliability: >109 cycles
Stacked piezo linear actuator
Operating voltage 0 to 1000 V. Long lifetime without derating. High specific displacement. High forces. Sub-nanometer resolution, µs response. Operating temperature range -20 to 85 °C
Available options
- SGS sensors for positional stability
- PZT ceramic material
- Operating voltage range, displacement, layer thickness
- Load capacity, force generation
- Geometric shapes: round, rectangular
- Mechanical interfaces: flat, spherical, metal, ceramic, glass, sapphire, etc.
- Integrated piezoelectric detector layers
- Special high / low temperature versions, temperature sensor
- Vacuum-compatible and non-magnetic versions
- Extra-tight length tolerances
Fields of application
Industry and research. For high-load positioning, precision mechanics / -machining, switches
Specifications
Specifications
Displacement | Diameter OD | Length L | Blocking force | Stiffness | Electrical capacitance | Resonant frequency | |
|---|---|---|---|---|---|---|---|
µm | mm | mm | N | N/µm | nF | kHz | |
P-007.00 | 5 | 7 | 8 | 650 | 130 | 11 | 126 |
P-007.10 | 15 | 7 | 17 | 850 | 59 | 33 | 59 |
P-007.20 | 30 | 7 | 29 | 1000 | 35 | 64 | 36 |
P-007.40 | 60 | 7 | 54 | 1150 | 19 | 130 | 20 |
P-010.00 | 5 | 10 | 8 | 1400 | 270 | 21 | 126 |
P-010.10 | 15 | 10 | 17 | 1800 | 120 | 64 | 59 |
P-010.20 | 30 | 10 | 30 | 2100 | 71 | 130 | 35 |
P-010.40 | 60 | 10 | 56 | 2200 | 38 | 260 | 20 |
P-010.80 | 120 | 10 | 107 | 2400 | 20 | 510 | 10 |
P-016.10 | 15 | 16 | 17 | 4600 | 320 | 180 | 59 |
P-016.20 | 30 | 16 | 29 | 5500 | 190 | 340 | 36 |
P-016.40 | 60 | 16 | 54 | 6000 | 100 | 680 | 20 |
P-016.80 | 120 | 16 | 101 | 6500 | 54 | 1300 | 11 |
P-016.90 | 180 | 16 | 150 | 6500 | 36 | 2000 | 7 |
P-025.10 | 15 | 25 | 18 | 11000 | 740 | 400 | 56 |
P-025.20 | 30 | 25 | 30 | 13000 | 440 | 820 | 35 |
P-025.40 | 60 | 25 | 53 | 15000 | 250 | 1700 | 21 |
P-025.80 | 120 | 25 | 101 | 16000 | 130 | 3400 | 11 |
P-025.90 | 180 | 25 | 149 | 16000 | 89 | 5100 | 7 |
P-025.150 | 250 | 25 | 204 | 16000 | 65 | 7100 | 5 |
P-025.200 | 300 | 25 | 244 | 16000 | 54 | 8500 | 5 |
P-035.10 | 15 | 35 | 20 | 20000 | 1300 | 700 | 51 |
P-035.20 | 30 | 35 | 32 | 24000 | 810 | 1600 | 33 |
P-035.40 | 60 | 35 | 57 | 28000 | 460 | 3300 | 19 |
P-035.80 | 120 | 35 | 104 | 30000 | 250 | 6700 | 11 |
P-035.90 | 180 | 35 | 153 | 31000 | 170 | 10000 | 7 |
P-045.20 | 30 | 45 | 33 | 39000 | 1300 | 2800 | 32 |
P-045.40 | 60 | 45 | 58 | 44000 | 740 | 5700 | 19 |
P-045.80 | 120 | 45 | 105 | 49000 | 410 | 11000 | 10 |
P-045.90 | 180 | 45 | 154 | 50000 | 280 | 17000 | 7 |
P-050.20 | 30 | 50 | 33 | 48000 | 1600 | 3400 | 32 |
P-050.40 | 60 | 50 | 58 | 55000 | 910 | 7000 | 19 |
P-050.80 | 120 | 50 | 105 | 60000 | 500 | 14000 | 10 |
P-050.90 | 180 | 50 | 154 | 61000 | 340 | 22000 | 7 |
P-056.20 | 30 | 56 | 33 | 60000 | 2000 | 4300 | 32 |
P-056.40 | 60 | 56 | 58 | 66000 | 1100 | 8900 | 19 |
P-056.80 | 120 | 56 | 105 | 76000 | 630 | 18000 | 10 |
P-056.90 | 180 | 56 | 154 | 78000 | 430 | 27000 | 7 |
Travel range: at 0 to 1000 V, tolerance -10 / 20 %.
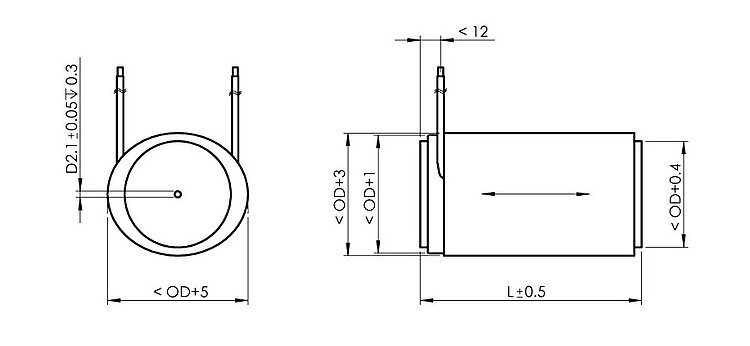
Length L: Tolerance ±0.5 mm.
Blocking force: at 0 to 1000 V.
Electrical capacitance: Tolerance ±20 %, measured at 1 Vₚₚ, 1 kHz, RT.
Resonant frequency at 1 Vₚₚ, unloaded, unclamped. The value is halved for unilateral clamping.
Piezo ceramic type: PIC151.
Standard connections: FEP- insulated wire leads, 100 mm, AWG 24, Ø 1.15 mm.
Operating voltage: 0 to 1000 V.
Operating temperature range: -20 to 85 °C.
Standard mechanical interfaces: steel plates, 0.5 to 2 mm thick (depends on model)
Outer surface: polyolefin shrink sleeving, black.
Recommended preload for dynamic operation: 15 MPa.
Maximum preload for constant force: 30 MPa
Custom designs or different specifications on request.
Downloads
データシート
ドキュメント
User Manual PZ138 (英語)
PICA Piezo Actuators: P-007, P-010, P-016, P-025, P-035, P-045, P-050, P-056 PICA Stack/Power/Thru Customized Products
Quote / Order
Ask for a free quote on quantities required, prices, and lead times or describe your desired modification.
Custom designs or different specifications on request.




















