新製品

L-886 Compact and Versatile Goniometer

High-Performance and Cost-Efficient

  • Compact, stackable design with high flexibility: Thanks to its compact design and the ability to combine two goniometers with identical centers of rotation, the L-886 offers maximum flexibility for precise multichannel photonics alignment applications.
  • Cost-effective complete solution for demanding applications: Unlike comparable solutions, the system offers an attractively priced alternative while meeting requirements such as 24/7 operation, large formats, and industrial operating conditions.
  • Enhanced system compatibility and modern control integration: The system supports modern communication standards such as EtherCAT (e.g., with ACS controls) and can therefore easily be integrated into existing automated production environments.
L-886 Compact and Versatile Goniometer
製品の解説 仕様 ダウンロード 見積 / 発注

The L-886 is an accurate, cost-effective goniometer stage. It is based on a stepper motor combined with a linear measurement system for high accuracy. The L-886 is designed for cost conscious applications including micro assembly, component alignment, electronics manufacturing, and inspection.

  • Cost-effective solution, specifically designed for rapid alignment in multichannel photonics

  • Small, precise, and fast

Applications and use cases

  • Industrial Automation applications:

    • Micro component placement

  • Alignment applications:

    • Optical part alignment

Technology

The L-886 spindle-driven goniometer stages are ideally suited for industrial applications requiring high performance in a compact design. Their high performance is powered by high-resolution stepper motors, high-precision crossed roller guides, and precision linear encoders.

High-resolution 2-phase motors offer performance comparable to that of 5-phase stepper motors, but without the need for expensive drive electronics. Additional linear encoders provide high repeatability during operation.

Installation and usage

The goniometers can be mounted onto L-836 linear stages. The L-886 models are stackable for 2-axis motion. If an L-886.931232X is mounted onto an L-886.921232[X], the models will have a common center of rotation.

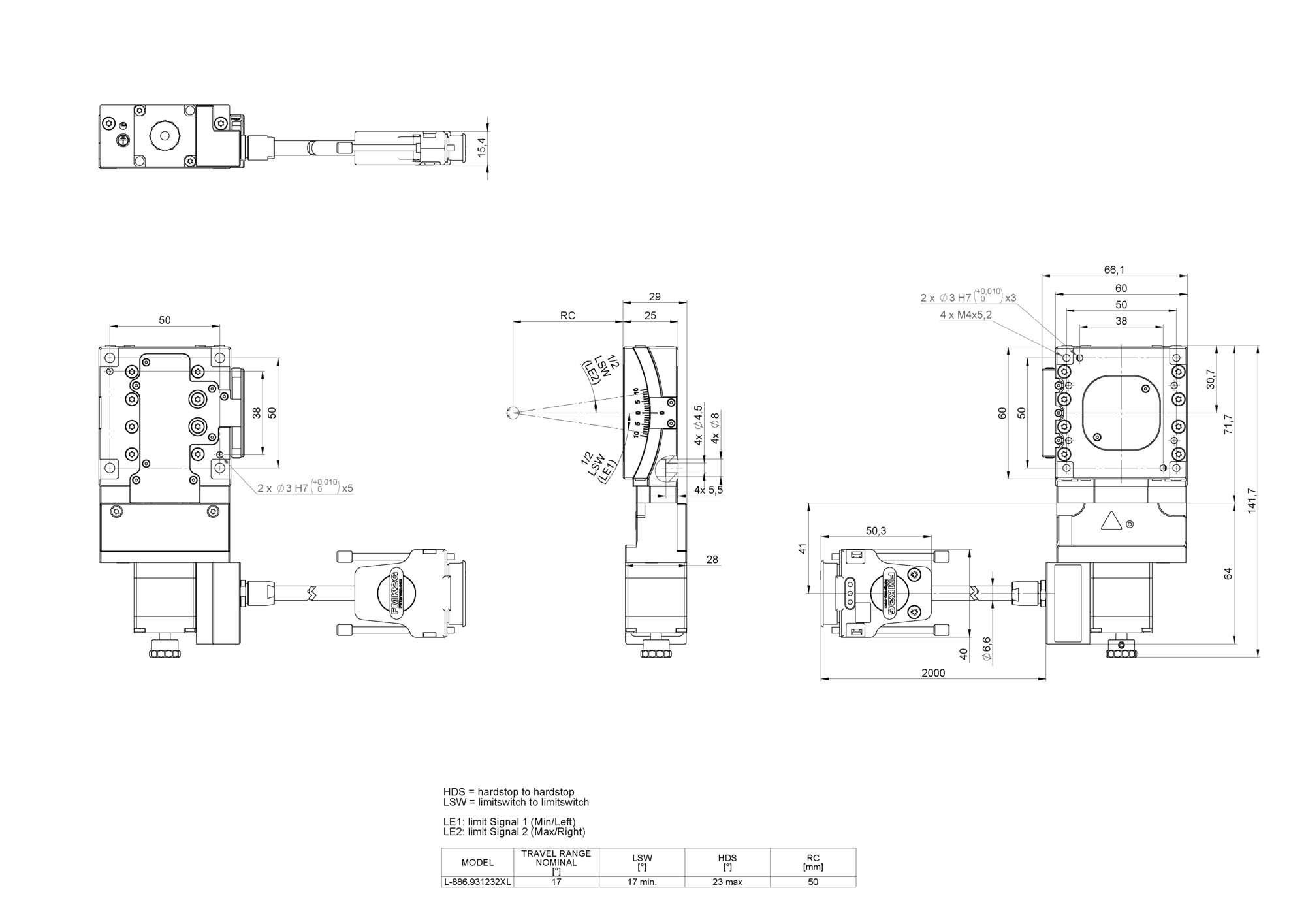
Specifications

データシート

Datasheet L-886

日付 / バージョン
2026-04-20
pdf - 12 MB
日付 / バージョン
2026-04-20
pdf - 12 MB

Downloads

データシート

データシート

Datasheet L-886

日付 / バージョン
2026-04-20
pdf - 12 MB
日付 / バージョン
2026-04-20
pdf - 12 MB

3D モデル

3D モデル

L-886 3D Model

zip - 5 MB

Ask for a free quote on quantities required, prices, and lead times or describe your desired modification.

Ordering information

L-886.921232 新製品!

Goniometer with flat contact surface; 2-phase stepper motor; 12° rotational angle; 35 N payload; 10 °/s maximum angular velocity; ball screw; incremental linear encoder, 0.8305 µrad sensor resolution, rotational, A/B quadrature, RS-422; magnetic limit switches

L-886.921232X 新製品!

Goniometer for stacked systems; 2-phase stepper motor; 12° rotational angle; 35 N payload; 10 °/s maximum angular velocity; ball screw; incremental linear encoder, 0.8305 µrad sensor resolution, rotational, A/B quadrature, RS-422; magnetic limit switches

L-886.931232 新製品!

Goniometer with flat contact surface; 2-phase stepper motor; 17° rotational angle; 35 N payload; 10 °/s maximum angular velocity; ball screw; incremental linear encoder, 1.122 µrad sensor resolution, rotational, A/B quadrature, RS-422; magnetic limit switches

L-886.931232X 新製品!

Goniometer for stacked systems; 2-phase stepper motor; 17° rotational angle; 35 N payload; 10 °/s maximum angular velocity; ball screw; incremental linear encoder, 1.122 µrad sensor resolution, rotational, A/B quadrature, RS-422; magnetic limit switches

L-886.931232XL 新製品!

Goniometer for stacked systems; 2-phase stepper motor; 17° rotational angle; 35 N payload; 10 °/s maximum angular velocity; ball screw; incremental linear encoder, 1.122 µrad sensor resolution, rotational, A/B quadrature, RS-422; magnetic limit switches; cable exit angled, 90°, to the left

見積取得方法

見積/発注をクリック
見積リストに製品バリアントを追加する
見積フォームを記入する
PIに価格リクエストを送信
すぐにご連絡いたします

お問い合わせ

担当者よりお問合せにつきまして、すぐにご連絡をさせて頂きます。

Compatible Electronics Related Products