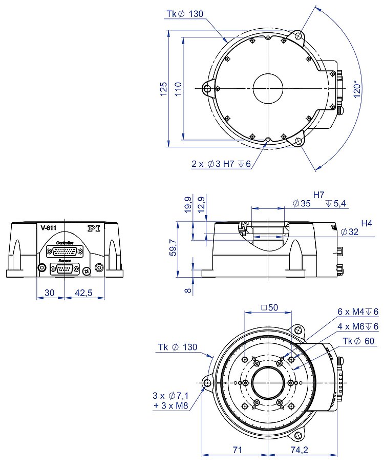
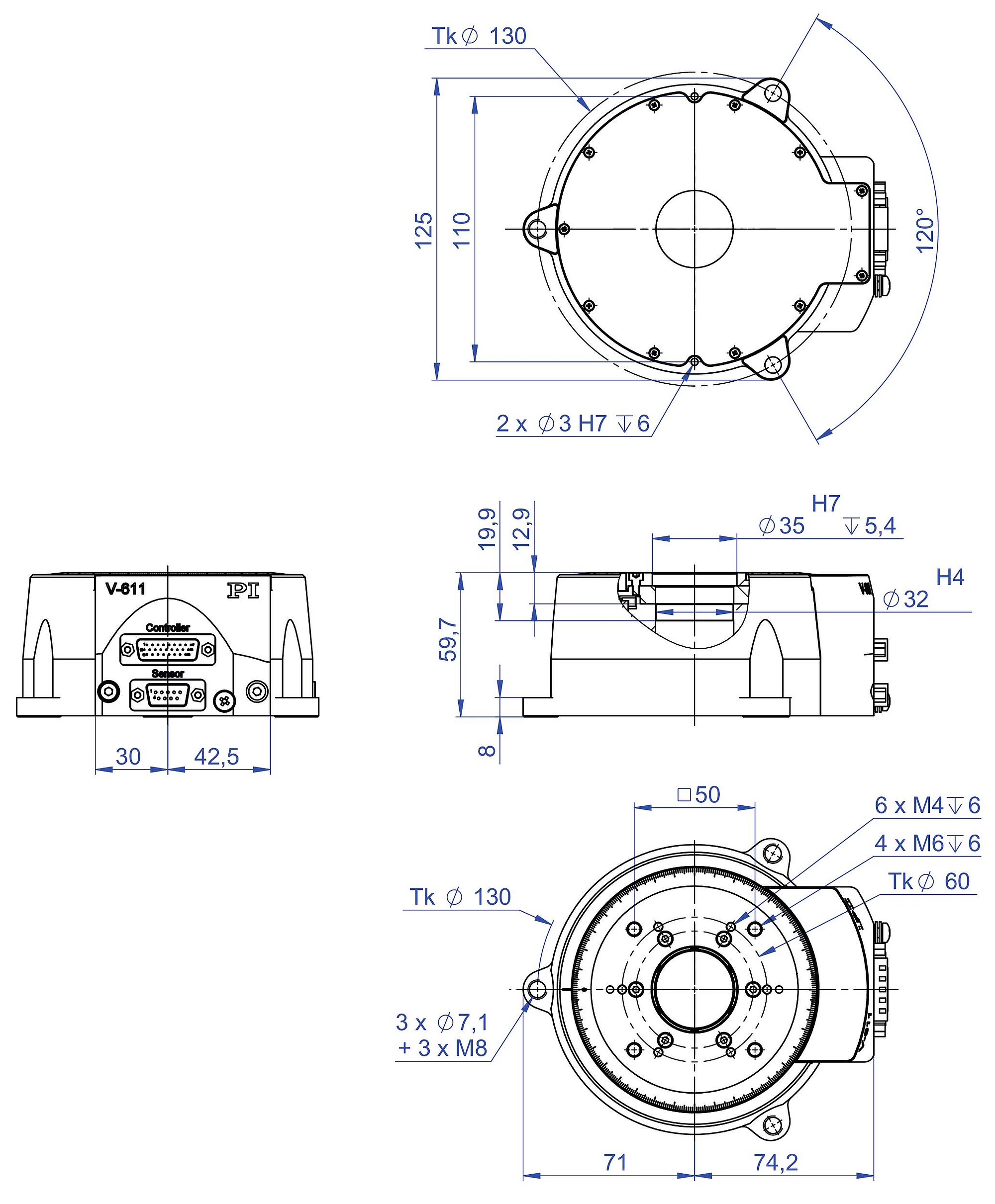
Rotation stage, Ø 32 mm clear aperture, iron core 3-phase torque motor, incremental angle measuring system with sin/cos signal transmission
V-611 Rotation Stage
High Load Capacity and Long Lifetime for Industrial Applications
- Deep groove ball bearings provide high load capacity and long lifetime
- Clear aperture for transmitted-light applications
- High velocity and acceleration
- Iron core 3-phase torque motor
Iron core 3-phase torque motor
Torque motors are electromagnetic direct drives. They dispense with mechanical components in the drivetrain and transfer the drive force directly and friction-free to the motion platform. The drives reach high velocities and accelerations. Iron core motors are used when forces and accelerations need to be achieved in a limited installation space. The design with iron cores maximizes the magnetic forces and ensures high thermal stability of the drive.
Application fields
Medical industry. Sample inspection. Precision microassembly. Research. Biotechnology. Semiconductor technology. Metrology. Automation.
Specifications
Specifications
| Motion | V-611.998061 | V-611.998073 | Tolerance |
|---|---|---|---|
| Active axes | θZ | θZ | |
| Rotation range in θZ | 360 ° | 360 ° | |
| Maximum angular velocity in θZ, unloaded | 288 rpm | 288 rpm | |
| Radial error E_XC | ± 0.75 µm | ± 0.75 µm | typ. |
| Axial error E_ZC | ± 0.5 µm | ± 0.5 µm | typ. |
| Tilt error E_AC (wobble) | ± 10 µrad | ± 10 µrad | typ. |
| Positioning | V-611.998061 | V-611.998073 | Tolerance |
| Minimum incremental motion in θZ | 1 µrad | 1 µrad | typ. |
| Unidirectional repeatability in θZ | ± 1 µrad | ± 1 µrad | typ. |
| Bidirectional repeatability in θZ | 3 µrad | 3 µrad | typ. |
| Reference switch | Hall effect, N/C contact, 5 V, NPN | — | |
| Integrated sensor | Incremental angle-measuring system | Absolute angle-measuring system | |
| Sensor signal | Sin/cos, 1 V peak-peak | BiSS-C | |
| Sensor signal periods / U | 15744 | — | |
| Sensor resolution | — | 4294967296 Cts./rev. | |
| Drive Properties | V-611.998061 | V-611.998073 | Tolerance |
| Drive type | Iron core 3-phase torque motor | Iron core 3-phase torque motor | |
| Nominal voltage | 48 V | 48 V | max. |
| Nominal current, RMS | 3.33 A | 3.33 A | typ. |
| Peak current, RMS | — | — | typ. |
| Drive torque in θZ | 1 N·m | 1 N·m | |
| Peak torque in θZ | 1.9 N·m | 1.9 N·m | |
| Torque constant | 0.297 N·m/A | 0.297 N·m/A | typ. |
| Resistance phase-phase | 1.38 Ω | 1.38 Ω | typ. |
| Inductance phase-phase | 2.58 mH | 2.58 mH | |
| Back EMF, phase-phase, rotational | 18 V/kRPM | 18 V/kRPM | max. |
| Number of pole pairs | 10 | 10 | |
| Mechanical Properties | V-611.998061 | V-611.998073 | Tolerance |
| Permissible push force in X | 50 N | 50 N | max. |
| Permissible push force in Z | 100 N | 100 N | max. |
| Moment of inertia in θZ, unloaded | 1400000 kg·mm² | 1400000 kg·mm² | ±20 % |
| Moved mass in θZ, unloaded | 1200 g | 1200 g | ±5 % |
| Bearing type | Ball bearings | Ball bearings | |
| Overall mass | 2300 g | 2300 g | ±5 % |
| Material | Aluminum, black anodized | Aluminum, black anodized | |
| Miscellaneous | V-611.998061 | V-611.998073 | Tolerance |
| Operating temperature range | 5 to 40 °C | 5 to 40 °C | |
| Connector | HD D-sub 26 (m) | HD D-sub 26 (m) | |
| Sensor connector | D-sub 9 (m) | D-sub 9 (m) | |
| Recommended controllers / drivers | C-891, C-885 with C-891.11C885 ACS modular controller | C-891, C-885 with C-891.11C885 ACS modular controller |
At PI, technical data is specified at 22 ±3 °C. Unless otherwise stated, the values are for unloaded conditions. Some properties are interdependent. The designation "typ." indicates a statistical average for a property; it does not indicate a guaranteed value for every product supplied. During the final inspection of a product, only selected properties are analyzed, not all. Please note that some product characteristics may deteriorate with increasing operating time.
Downloads
データシート
ドキュメント
User Manual V611T0003
Rotation stages with torque motor
3D モデル
3-D model V-611
Ask for a free quote on quantities required, prices, and lead times or describe your desired modification.
Rotation stage, Ø 32 mm clear aperture, iron core 3-phase torque motor, absolute angle-measuring system with BiSS-C signal transmission
見積取得方法
お問い合わせ
担当者よりお問合せにつきまして、すぐにご連絡をさせて頂きます。
応用事例

ゲノムシーケンス
Be it in medicine, forensics, or genetics - the genome is the key to new insights for numerous questions. The method known as sequencing-by-synthesis, which used to decipher the genome, has become faster and more precise since it was first developed — the cost has decreased, respectively. The positioning techniques employed in the microscope systems used for this purpose have also contributed to...

ビデオ内視鏡
現代の医療技術は、患者にできるだけ不快感を与えない治療法の開発に力を入れています。低侵襲手術を可能にする内視鏡は、例えば、腹腔鏡手術において大きく貢献しています。特に医療行為においては、最大限の成功を収めるために、焦点を絞った詳細な画像情報が最優先で求められます。

柔軟なダイヤフラムポジショニング
放射線治療では、健康な組織を放射線からの保護するために個別のリーフが調整されます。

画像安定化
ピエゾベースの高速スキャナーは、画像安定化およびマイクロスキャニングのためにビデオ周波数レンジに見合った速度で動作します。

ピペット
ピエゾモータは、デバイスとサンプルが狭いピペットに最適で、ピペットを垂直方向に動かすことができます。

オプティカルコヒーレンストモグラフィー
ピエゾアクチュエータとドライブ (PILine® OEMモータ) は、オプティカルコヒーレンストモグラフィー (OCT) に必要な高い精度と位置の安定性を保証します。

MRI
ピエゾドライブは強力な磁場からの影響を受けないため、磁気共鳴治療に最適です。

屈折矯正手術
屈折矯正手術では、レーザの高精度なポジショニングとモーションコントロールが優れた結果を出す決め手となります。ピエゾによるステージやチップ/チルトミラーシステムは、求められる精度を提供し、ダイナミックかつ高速であるため、処理時間の短縮にも役立ちます。





















